安森美高集成度IPM推动热泵升级
热泵是以低排放电力为动力、经实践验证的安全可持续供暖方式,也是全球向安全可持续供暖转型的核心技术。尽管热泵的主要用途是供暖,但其逆循环功能使其可同时实现供暖与制冷。热泵能够回收余热并将其温度提升至更实用的水平,因此具备显著的节能潜力。
加速推广热泵能带来多重效益:从全生命周期来看,热泵可为消费者节省开支,使其规避能源价格波动带来的影响;改用热泵供暖可减少温室气体排放,助力改善空气质量;为满足持续增长的需求,热泵制造与安装产业的规模扩张还将创造更多就业岗位。
热泵室外机顶层拓扑结构
下图为安森美 (onsemi) 推荐的热泵室外机方案框图。 热泵系统的室外机包含蒸发器(空气源热泵) 或地热交换器(地源热泵) 。 其他主要部件包括循环泵、 压缩机和风扇。 上述所有应用都需要逆变器, 而 IGBT IPM 通常可以满足这一需求。 其他模块包括检测(电压、 电流、 温度) 、 CPU 和与室内机的连接。

智能功率模块 (IPM)
智能功率模块是一种高度集成的器件, 用作电源开关, 是目前集成度最高的器件之一。 IPM 可采用 IGBT 或 Si MOSFET 设计, 常用于电机控制应用、 风扇、 水泵和通用驱动器。 IPM 不仅可以将功率开关和栅极驱动器集成到单个封装中, 还可以将 PFC 级和/或无源器件(如 NTC) 集成到单个封装中。 其他优点包括改善电磁干扰、 优化空间利用、 降低功率损耗, 从而更容易进行散热设计。
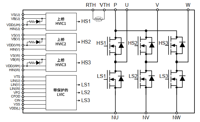
IPM 功能特性
◆IPM 包含逆变器功率级、栅极驱动器、 NTC(可选)、自举二极管和功率开关
◆将单相和三相输入交流驱动器的功率提高到 1-20kW
◆直接键合铜:
• 优异的导热系数: 24(Al2O3) 至 170 (AlN) W/mK
• 高效隔离,无任何性能下降: >20kV/mm
• 极高的电阻率 > 10Ωcm @20℃宽温度范围
• 用于 P2P 替换的常见封装类型

图:安森美 IPM 的集成度
热泵的功率等级因预期用途而异。 一般来说, 家用热泵的功率在 2kW 至 7kW 之间, 而商用三相热泵的功率在 8kW至 15kW 之间。IPM 用途极为广泛, 在热泵系统中可用于控制以下组件:
主压缩机 – 600/1200V
室内机风扇 – 600V 单相
循环泵 – 600V 单相, 低功率
室外机风扇 – 600/1200V
表: 安森美 IPM 产品组合中的热泵压缩机和风扇

智能功率模块 (IPM) NFAM5312SCBUT
全整合逆变器功率模块,由独立的上桥栅极驱动器、LVIC、六个 SiC MOSFET 和温度传感器组成。
关键特性:
• 1200V M3P SiC MOSFET, 40A
• 米勒钳位功能集成到栅极驱动器中
• 引脚与安森美 IGBT SPM31 兼容
• 用于结温监测的 NTC 热敏电阻
• LVIC 中的温度检测和输出电压功能
• 无需侧边虚设引脚,可增加爬电距离
• 高功率密度、高效率、快速开关能力
• DIP39 (54.5x31) 封装
