中微爱芯高亮度恒流LED显示驱动——AiP33628/AiP33632
LED作为一种重量轻、体积小、能耗低、响应速度快的电光源,被广泛应用于各种电子产品上的信息指示。随着LED显示控制技术的发展,LED能够实现的显示效果也更加多样化,人们对电子产品的显示效果要求,也不仅仅局限于指示灯和数码管效果。呼吸效果和全彩显示作为当下较为流行的LED显示效果,更容易被消费者接受,已成为高端电子产品的标配。
无锡中微爱芯紧跟行业发展步伐,推出恒流LED显示驱动AiP33624系列和AiP3331系列。该系列产品可以实现逐点256级调光,可轻松实现呼吸灯效果和全彩RGB显示。由于其为恒流产品,可对LED的驱动电流进行控制,以保证LED工作在安全电流范围内,延长LED使用寿命。与此同时,其恒流特性也能保证LED显示的均匀度,弥补了当有某些LED闪烁时,其余LED会有微弱明暗变化的不足。
除显示效果之外,人们对LED显示亮度也提出了更高的要求,尤其是在户外显示的应用场景下,LED的亮度直接影响到产品的用户体验感,因此,AiP33628和AiP33632应运而生。
AiP33628和AiP33632均是共阳极16段8位恒流LED驱动控制电路,电路提供8通道阳极公共端输出和16通道阴极恒流输出,单路最大恒流输出电流为40mA,典型工作电压为3.0V~5.5V。AiP33628和AiP33632均可通过PWM波,逐点调节点亮度。
两者不同的是,AiP33628为2线串行通讯,具有16级可调恒流电流,其恒流电流可通过软件进行设置;而AiP33632虽然采用4线通讯方式,且恒流电流通过外接电阻控制,但由于其可以级联扩展,因此更适用于点阵数量较多的场合。AiP33632与AiP3368/AiP3368H级联,可实现2倍于AiP33628的点阵数,而两颗AiP33632级联,则能以2倍的成本换取4倍的点阵数,其扩展方式更加灵活。
AiP33628、AiP33632主要特点汇总
.png)
AiP33628功能框图
.png)
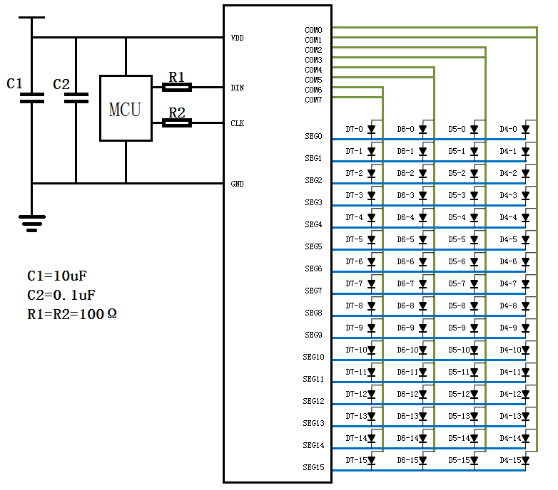
AiP33628引脚排列图
.png)
AiP33628典型应用图
.png)
.png)
在此种应用下,可以将COM0和COM1、COM2和COM3、COM4和COM5、COM6和COM7分别短接,使电路作为1/4占空比使用,提高显示亮度。
AiP33632功能框图
.png)
AiP33632引脚排列图
.png)
AiP33632与AiP3368/AiP3368H级联典型应用
.png)
级联AiP3368,8行×32列=256颗 LED阵列
AiP33632与AiP33632级联典型应用
.png)
级联2颗AiP33632,16×32列=512颗 LED阵列
AiP33632和AiP33628由于其恒流高亮的特性,可广泛应用于像电动车仪表等户外应用场景。AiP33628可以替代AiP1629A和AiP1640等普通LED驱动IC,使产品在户外显示效果更好。此外,2颗AiP33632级联使用可使LED阵列达到512灯,可满足更大的LED点阵需求,并且级联应用中通讯端口数量仅需4根,大大节省了MCU的I/O资源。
以下为使用AiP33632自身级联的方案,共驱动内圈单色灯182颗,外圈RGB灯40颗:
.gif)
.gif)
产品型号 | 厂商 | 封装 | |
AiP33628SA28.TB | 中微爱芯 | SOP28 | 订购 |
AiP33628SA28.TR | 中微爱芯 | SOP28 | 订购 |
AiP33632SA32.TB | 中微爱芯 | SOP32 | 订购 |
AiP33632SA32.TR | 中微爱芯 | SOP32 | 订购 |
产品订购:张女士 邮箱:zhangxw@icbase.com